Microscope Objective N PLAN L 20x/0.40 MIRAU

Discover the perfect solution. Explore our Objective Finder, compare alternatives, and find the best fit for your needs.
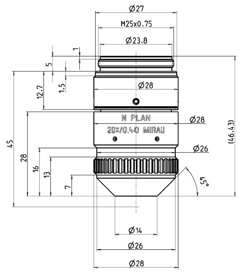
N PLAN L 20x/0.40 MIRAU
N PLAN L 20x/0.40 MIRAU
N PLAN L 20x/0.40 MIRAU
N PLAN L 20x/0.40 MIRAU
N PLAN L 20x/0.40 MIRAU
N PLAN L 20x/0.40 MIRAU

기술 사양

상품 번호 11532671
보정링(CORR) -
커버글라스 Without
사출동공 위치/DIC 프리즘 -
Field Number (FN) 25
자유 작업 거리(단위 MM) 3.57
이머전 타입 건식
아이리스 다이어프램 Without
배율 20⨉
콘트라스트 법 TL-BF, TL-P, IL-BF, IL-P
개구수 0.4
대물렌즈 스레드 M25
대물렌즈 타입 N PLAN
스프링 장착 여부 아니요
AFC(적응형 초점 컨트롤)용에 적합 -
기술 IL, Interferometry
투광 UV (365nm)
Scroll to top