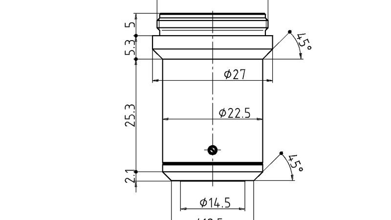
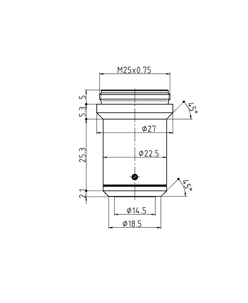
Microscope Objective HI PLAN 10x/0,25
                  Discover the perfect solution. Explore our Objective Finder, compare alternatives, and find the best fit for your needs.
                
              기술 사양
| 상품 번호 | 11506228 | 
|---|---|
| 보정링(CORR) | - | 
| 커버글라스 | With & without | 
| 사출동공 위치/DIC 프리즘 | - | 
| Field Number (FN) | 20 | 
| 자유 작업 거리(단위 MM) | 12 | 
| 이머전 타입 | 건식 | 
| 아이리스 다이어프램 | Without | 
| 배율 | 10⨉ | 
| 콘트라스트 법 | TL-BF, TL-DF, TL-IMC, FLUO | 
| 개구수 | 0.25 | 
| 대물렌즈 스레드 | M25 | 
| 대물렌즈 타입 | HI PLAN | 
| 스프링 장착 여부 | 아니요 | 
| AFC(적응형 초점 컨트롤)용에 적합 | - | 
| 기술 | |
| 투광 | - | 
 
            
         
           
              
          