Microscope Objective N PLAN L 40x/0,55 CORR

Product No. 11506297

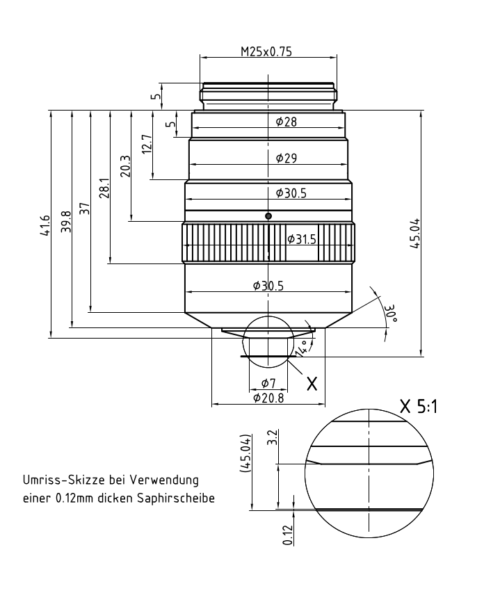
Objective N PLAN L 40x/0,55 CORR has a magnification of 40X and a numerical aperture of 0.55. For use in dry immersion material environment and attached with an objective thread of M25 having a free working distance of 3.3 - 1.9mm and a FN of 22.

Discover the perfect solution. Explore our Objective Finder, compare alternatives, and find the best fit for your needs.
N PLAN L 40x/0,55 CORR
N PLAN L 40x/0,55 CORR
N PLAN L 40x/0,55 CORR
N PLAN L 40x/0,55 CORR
N PLAN L 40x/0,55 CORR
N PLAN L 40x/0,55 CORR

기술 사양

상품 번호 11506297
보정링(CORR) CORR
커버글라스 With & without
사출동공 위치/DIC 프리즘 C
Field Number (FN) 22
자유 작업 거리(단위 MM) 3.3 - 1.9
이머전 타입 건식
아이리스 다이어프램 Without
배율 40⨉
콘트라스트 법 TL-BF, TL-DIC, TL-P, TL-DF, TL-IMC, FLUO
개구수 0.55
대물렌즈 스레드 M25
대물렌즈 타입 N PLAN
스프링 장착 여부 아니요
AFC(적응형 초점 컨트롤)용에 적합 AFC에 적합
기술
투광 UV (340nm)
Scroll to top