Microscope Objective HC PL APO SAPPHIRE 40x/1,1 W motCORR CS2
                  Discover the perfect solution. Explore our Objective Finder, compare alternatives, and find the best fit for your needs.
                
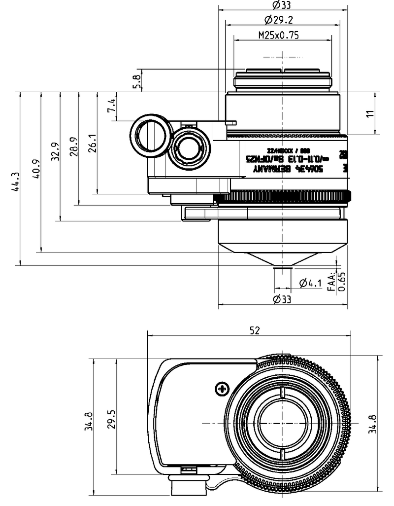
              기술 사양
| 상품 번호 | 11506434 | 
|---|---|
| 보정링(CORR) | motCORR | 
| 커버글라스 | With | 
| 사출동공 위치/DIC 프리즘 | - | 
| Field Number (FN) | 25 | 
| 자유 작업 거리(단위 MM) | 0.65 | 
| 이머전 타입 | 물 | 
| 아이리스 다이어프램 | Without | 
| 배율 | 40⨉ | 
| 콘트라스트 법 | TL-BF, TL-IMC, FLUO | 
| 개구수 | 1.1 | 
| 대물렌즈 스레드 | M25 | 
| 대물렌즈 타입 | PLAN APO | 
| 스프링 장착 여부 | 예 | 
| AFC(적응형 초점 컨트롤)용에 적합 | AFC에 적합 | 
| 기술 | CS2, MotCorr, Waterdispenser | 
| 투광 | UV (365nm) | 
 
           
           
            