Microscope Objective N PLAN 50x/0,90 OIL

Discover the perfect solution. Explore our Objective Finder, compare alternatives, and find the best fit for your needs.
N PLAN 50x/0,90 OIL
N PLAN 50x/0,90 OIL
N PLAN 50x/0,90 OIL
N PLAN 50x/0,90 OIL
N PLAN 50x/0,90 OIL
N PLAN 50x/0,90 OIL

Características

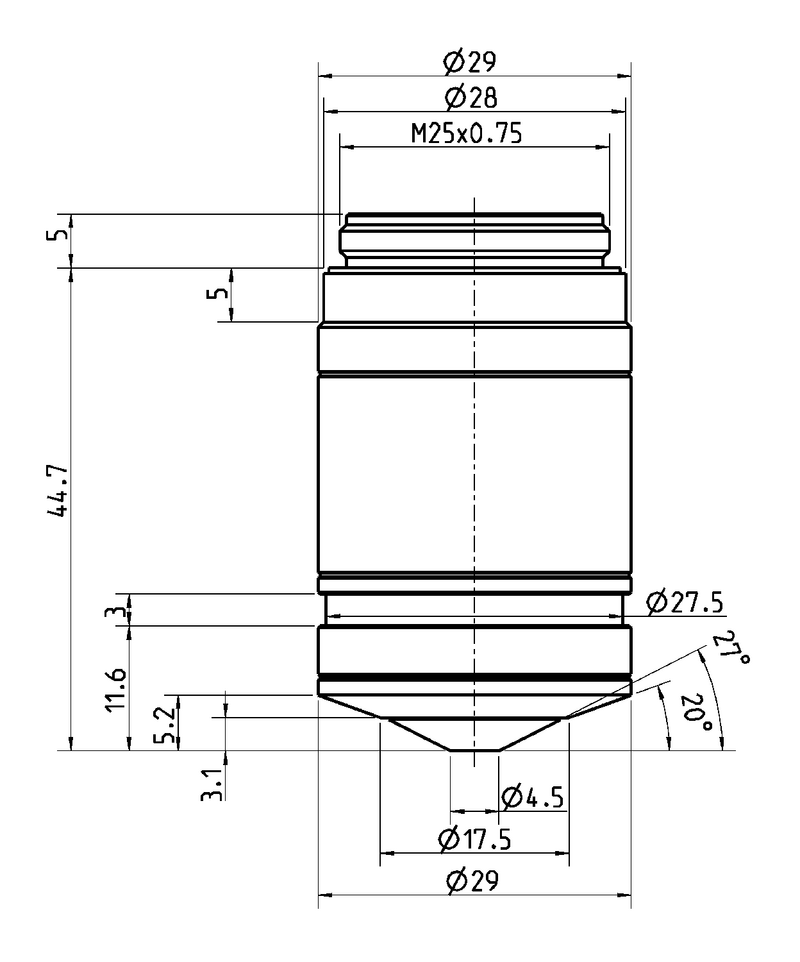
Número de artículo 11506321
Anillo de corrección (CORR) -
Cubreobjetos Con & sin
Posición de la pupila de salida / prisma DIC -
Field Number (FN) 22
Distancia de trabajo libre (WD en mm) 0.14
Inmersión Aceite
Diafragma de iris Sin
Ampliación 50⨉
Métodos de contraste TL-BF, TL-P, FLUO
Apertura numérica 0.9
Rosca de objetivo M25
Tipo de objetivo N PLAN
Accionado por resorte
Apto para AFC (Control de enfoque adaptativo) -
Técnicas
Transmisión UV (365nm)
Scroll to top