Obiettivo del microscopio HI PLAN 4x/0,10 SL

N. prodotto 11506227

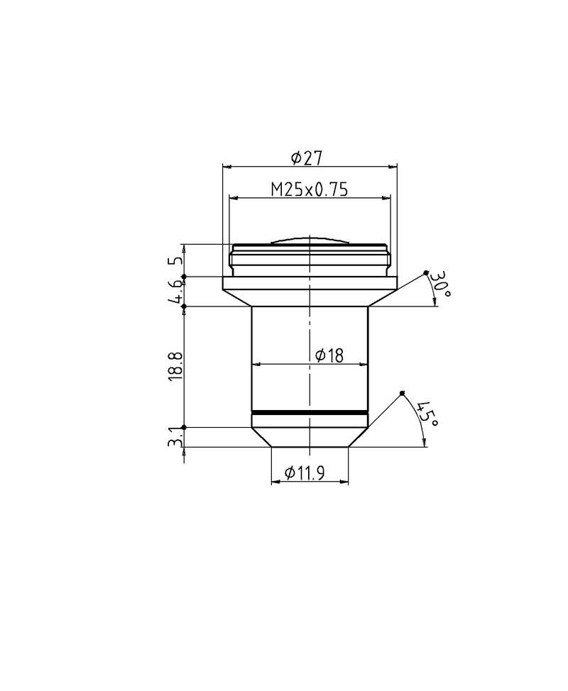
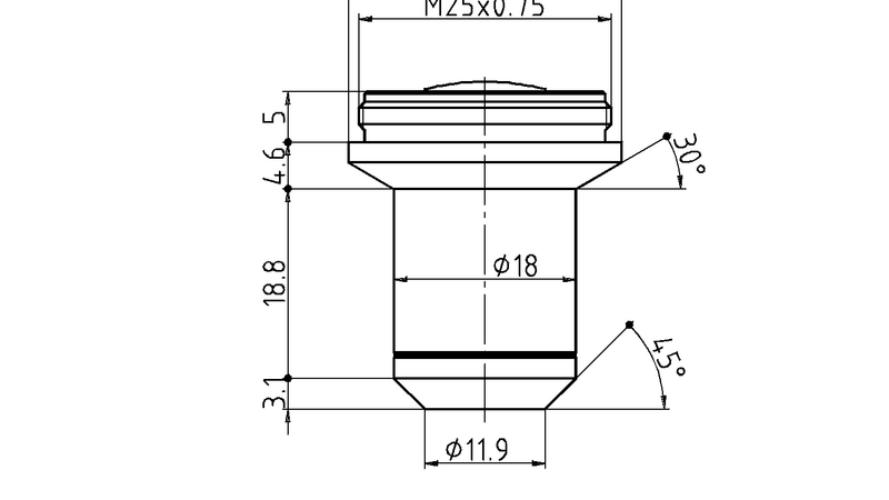
L'obiettivo HI PLAN 4x/0,10 SL ha un ingrandimento di 4X e un'apertura numerica di 0,1 mm. Adatto per l'analisi dei campioni a secco, è provvisto di filettatura M25, con una distanza di lavoro libera di 18 mm e un FN pari a 20.

Scopri la soluzione perfetta. Esplora il nostro Objective Finder, confronta le alternative e trova l’opzione più adatta alle tue esigenze.
HI PLAN 4x/0,10 SL
HI PLAN 4x/0,10 SL
HI PLAN 4x/0,10 SL
HI PLAN 4x/0,10 SL

Specifiche tecniche

Numero di prodotto 11506227
Anello di correzione (CORR) -
Coprioggetto Con e senza
Posizione della pupilla di uscita / Prisma DIC -
Numero di campo (FN) 20
Distanza di lavoro (WD) 18
Immersione A Secco
Diaframma a Iris Senza
Ingrandimento 4⨉
Metodi di contrasto TL-BF, FLUO
Apertura numerica 0.1
Filettatura obiettivo M25
Tipo di obiettivo HI PLAN
A molla No
Compatibile con AFC (Adaptive Focus Control) -
Tecniche SL
Trasmissione -
Scroll to top