Microscope Objective HC PL APO 63x/1,20 W motCORR CS2
                  Discover the perfect solution. Explore our Objective Finder, compare alternatives, and find the best fit for your needs.
                
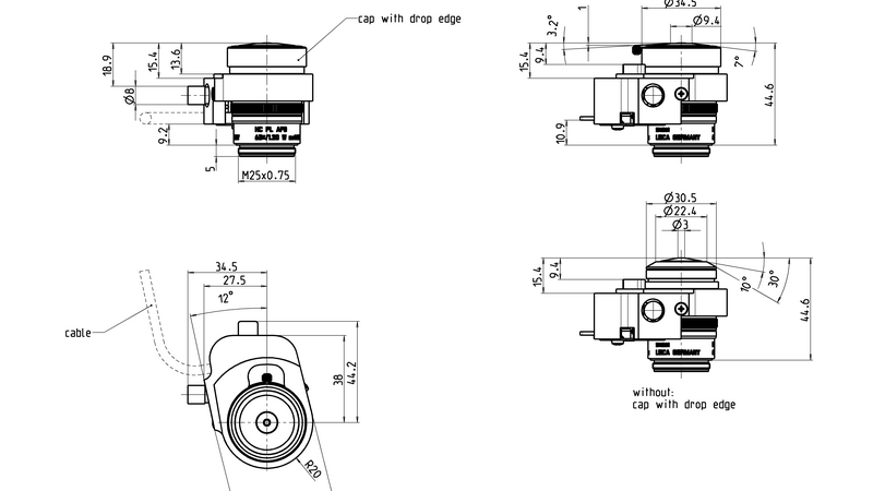
              技術仕様
| 製品番号 | 11506361 | 
|---|---|
| 補正環 (CORR) | motCORR | 
| カバーガラス | あり | 
| Exit Pupil Position/DIC prism | E | 
| Field Number (FN) | 25 | 
| 作動距離 (WD、mm) | 0.30 | 
| 液浸 | 水 | 
| アイリス絞り | なし | 
| 倍率 | 63⨉ | 
| コントラスト法 | TL-BF, TL-DIC, FLUO | 
| 開口数 | 1.2 | 
| 対物レンズスレッド | M25 | 
| 対物レンズの種類 | PLAN APO | 
| ばね懸架式 | あり | 
| AFC (アダプティブフォーカスコントロール) に適しています | AFCに適しています | 
| 技術 | CS2, MotCorr, Waterdispenser | 
| 透過 | UV (365nm) | 
 
            
         
           
           
              
           
            