Microscope Objective HI PLAN 10x/0,25 POL
Product No. 11556061
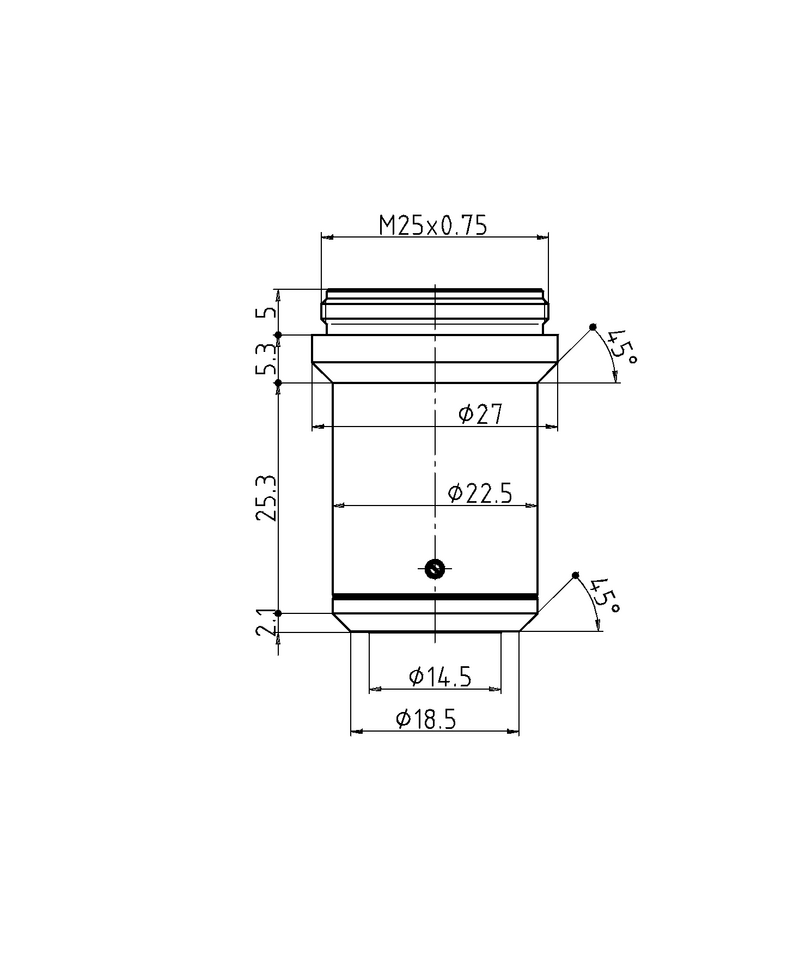
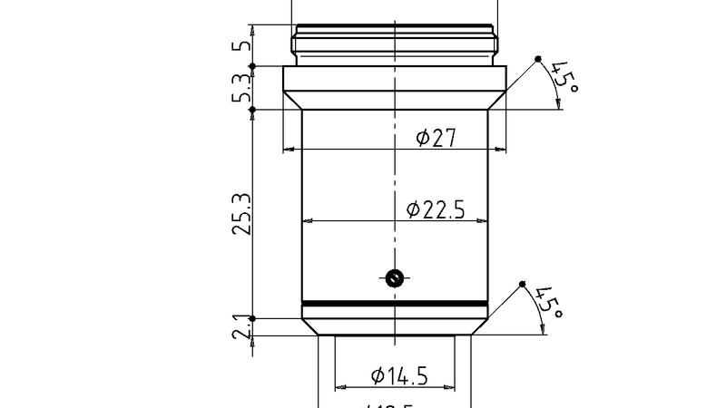
Objective HI PLAN 10x/0,25 POL has a magnification of 10X and a numerical aperture of 0.25. For use in dry immersion material environment and attached with an objective thread of M25 having a free working distance of 12mm and a FN of 20.
Discover the perfect solution. Explore our Objective Finder, compare alternatives, and find the best fit for your needs.
技術仕様
| 製品番号 | 11556061 |
|---|---|
| 補正環 (CORR) | - |
| カバーガラス | あり&なし |
| Exit Pupil Position/DIC prism | - |
| Field Number (FN) | 20 |
| 作動距離 (WD、mm) | 12 |
| 液浸 | ドライ |
| アイリス絞り | なし |
| 倍率 | 10⨉ |
| コントラスト法 | TL-BF, TL-POL, TL-DF, TL-IMC, FLUO |
| 開口数 | 0.25 |
| 対物レンズスレッド | M25 |
| 対物レンズの種類 | HI PLAN |
| ばね懸架式 | いいえ |
| AFC (アダプティブフォーカスコントロール) に適しています | - |
| 技術 | POL |
| 透過 | - |