Objectif de microscope N PLAN L 40x/0,55 CORR

Numéro de produit: 11506297

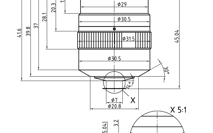
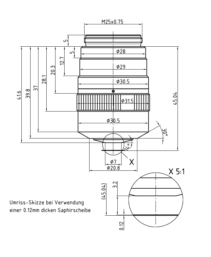
L'objectif N PLAN L 40x/0,55 CORR a un grossissement de 40x et une ouverture numérique de 0,55mm. Pour l'utilisation dans un environnement matériel d'immersion sèche et fixé avec un filetage d'objectif M25 ayant une distance de travail libre de 3,3 - 1,9 mm et un FN de 22.

Découvrez la solution idéale. Explorez notre sélecteur d’objectifs, comparez les alternatives et trouvez l’option la mieux adaptée à vos besoins.
N PLAN L 40x/0,55 CORR
N PLAN L 40x/0,55 CORR
N PLAN L 40x/0,55 CORR
N PLAN L 40x/0,55 CORR
N PLAN L 40x/0,55 CORR
N PLAN L 40x/0,55 CORR

Caractéristiques techniques

Numéro de produit 11506297
BAGUE DE CORRECTION (CORR) CORR
LAMELLE COUVRE-OBJET Avec et sans
Position de la pupille de sortie / prisme DIC C
Field Number (FN) 22
DISTANCE DE TRAVAIL LIBRE (WD EN MM) 3.3 - 1.9
IMMERSION Sec
Diaphragme d’iris Sans
GROSSISSEMENT 40⨉
MÉTHODES DE CONTRASTE TL-BF, TL-DIC, TL-P, TL-DF, TL-IMC, FLUO
OUVERTURE NUMÉRIQUE 0.55
FILETAGE DE L’OBJECTIF M25
TYPE D’OBJECTIF N PLAN
RESSORT CHARGÉ Non
ADAPTÉ À AFC (CONTRÔLE ADAPTATIF DE LA MISE AU POINT) Compatible AFC
Techniques
TRANSMISSION UV (340nm)
Scroll to top