Microscope Objective N PLAN L 40x/0,55 CORR

Discover the perfect solution. Explore our Objective Finder, compare alternatives, and find the best fit for your needs.
N PLAN L 40x/0,55 CORR
N PLAN L 40x/0,55 CORR
N PLAN L 40x/0,55 CORR
N PLAN L 40x/0,55 CORR
N PLAN L 40x/0,55 CORR
N PLAN L 40x/0,55 CORR

技術仕様

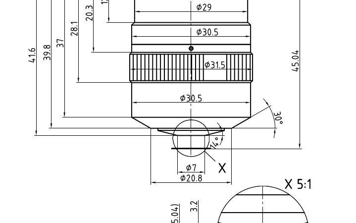
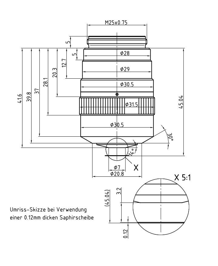
製品番号 11506297
補正環 (CORR) CORR
カバーガラス あり&なし
Exit Pupil Position/DIC prism C
Field Number (FN) 22
作動距離 (WD、mm) 3.3 - 1.9
液浸 ドライ
アイリス絞り なし
倍率 40⨉
コントラスト法 TL-BF, TL-DIC, TL-P, TL-DF, TL-IMC, FLUO
開口数 0.55
対物レンズスレッド M25
対物レンズの種類 N PLAN
ばね懸架式 いいえ
AFC (アダプティブフォーカスコントロール) に適しています AFCに適しています
技術
透過 UV (340nm)
Scroll to top