Mikroskopobjektiv HC FL PLAN 40x/0,65

Produkt Nr. 11506310

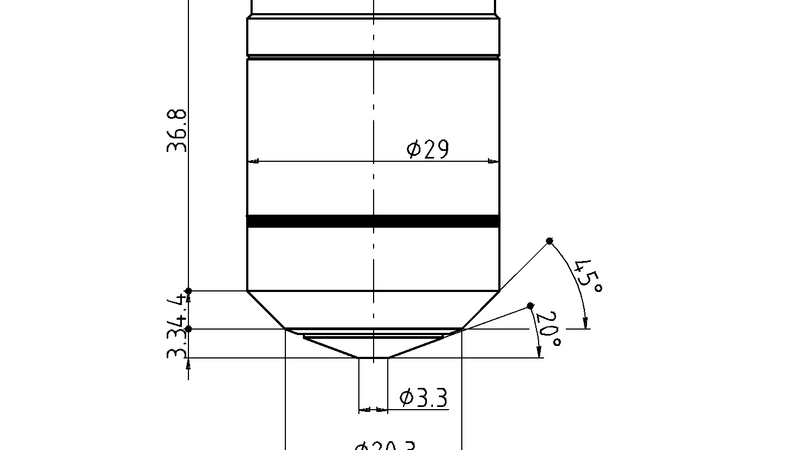
Das Objektiv HC FL PLAN 40x/0,65 hat eine Vergrößerung von 40X und eine numerische Apertur von 0,65. Für Trockenimmersion, mit einem M25 Objektivgewinde mit 0,36 mm freiem Arbeitsabstand und Sehfeld FN 25.

Entdecken Sie die perfekte Lösung. Erkunden Sie unseren Objective Finder, vergleichen Sie Alternativen und finden Sie die beste Lösung für Ihre Anforderungen.
HC FL PLAN 40x/0,65
HC FL PLAN 40x/0,65
HC FL PLAN 40x/0,65
HC FL PLAN 40x/0,65
HC FL PLAN 40x/0,65
HC FL PLAN 40x/0,65

Technische Daten

Produktnummer 11506310
KORREKTURRING (KORR.) -
DECKGLAS Mit
Position der Austrittspupille/DIC-Prisma D
Field Number (FN) 25
FREIER ARBEITSABSTAND (IN MM) 0.36
IMMERSION Trocken
IRISBLENDE Ohne
Vergrößerung 40⨉
KONTRASTMETHODEN TL-BF, TL-DIC, TL-P, TL-DF, FLUO
NUMERISCHE APERTUR 0.65
OBJEKTIVGEWINDE M25
OBJEKTIVTYP FL PLAN
GEFEDERT Ja
GEEIGNET FÜR AFC (ADAPTIVE FOKUSKONTROLLE) -
Methoden
TRANSMISSION -
Scroll to top