Microscope Objective HC FL PLAN 40x/0,65

Product No. 11506310

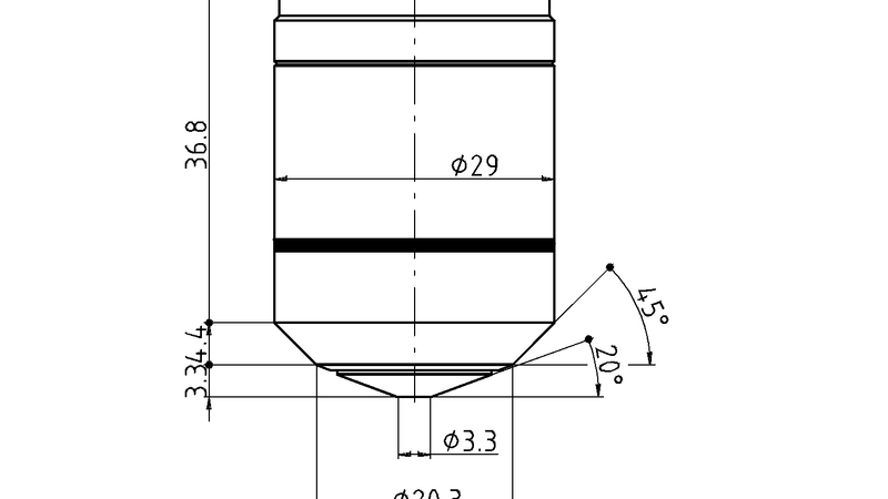
Objective HC FL PLAN 40x/0,65 has a magnification of 40X and a numerical aperture of 0.65. For use in dry immersion material environment and attached with an objective thread of M25 having a free working distance of 0.36mm and a FN of 25.

Discover the perfect solution. Explore our Objective Finder, compare alternatives, and find the best fit for your needs.
HC FL PLAN 40x/0,65
HC FL PLAN 40x/0,65
HC FL PLAN 40x/0,65
HC FL PLAN 40x/0,65
HC FL PLAN 40x/0,65
HC FL PLAN 40x/0,65

Technical Specs

Product Number 11506310
Correction Ring (CORR) -
Coverglass With
Exit Pupil Position/DIC prism D
Field Number (FN) 25
Free Working Distance (WD in mm) 0.36
Immersion Dry
Iris Diaphragm Without
Magnification 40⨉
Contrasting Methodes TL-BF, TL-DIC, TL-P, TL-DF, FLUO
Numerical Aperture 0.65
Objective Thread M25
Objective Type FL PLAN
Spring Loaded Yes
Suitable for AFC (Adaptive Focus Control) -
Techniques
Transmission -

Shop Leica Premium Objectives

Explore and buy pre-configured microscopy solutions in our online shop. 
Enjoy a seamless online shopping experience.

Scroll to top